8 (925) 663-83-63Call-центр
пн-вс: 10:00-19:00
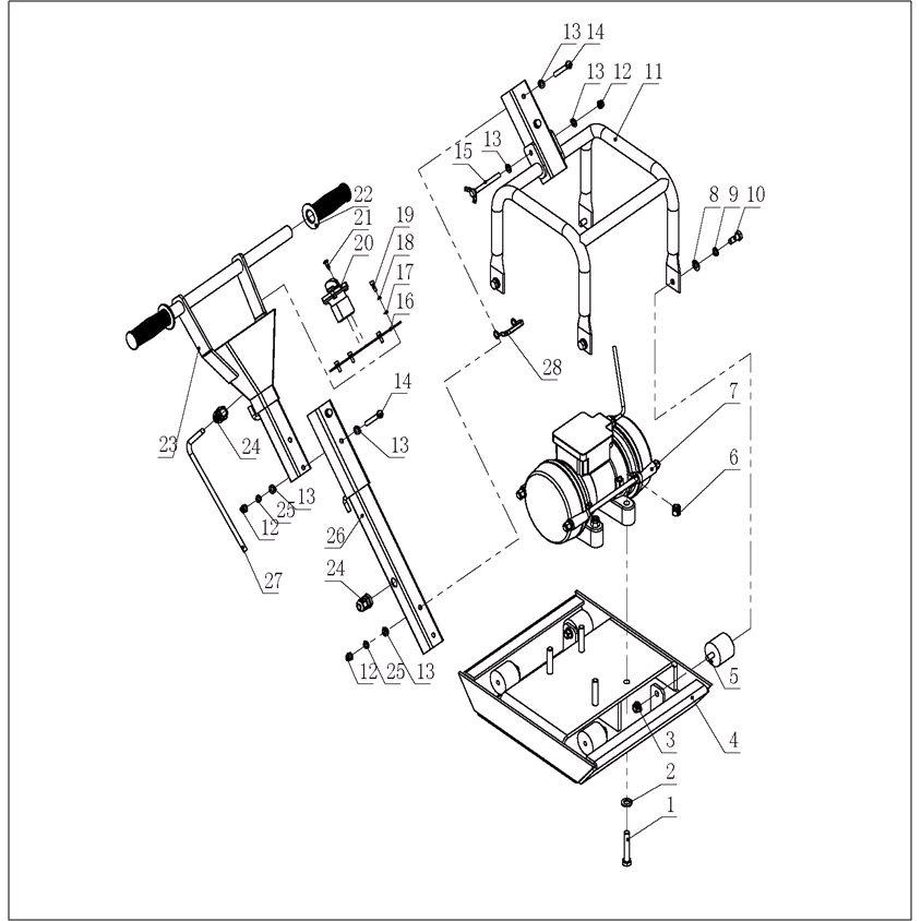
Данная модель имеет несколько схем
| N | Артикул | Название | Срок отгрузки | Цена | Купить |
| 1.01 | N000-008-161 | Болт M12x65 | – | ||
| 1.02 | N000-022-385 | Шайба D12 | – | ||
| 1.03 | N000-028-974 | Гайка M10 самоконтрящаяся | – | ||
| 1.04 | N000-028-975 | Плита опорная в сборе | – | ||
| 1.05 | N000-028-976 | Амортизатор | 606 р. | ||
| 1.06 | N000-028-977 | Гайка M12 самоконтрящаяся | – | ||
| 1.07 | V000-001-042 | Электродвигатель АД ZWR-55S-550W | 29.092 р. | ||
| 1.08 | N000-022-384 | Шайба D10 | – | ||
| 1.09 | N000-027-604 | Шайба пружинная D10 | – | ||
| 1.10 | N000-008-357 | Болт M10x25 | – | ||
| 1.11 | N000-028-979 | Рама | – | ||
| 1.12 | N000-019-493 | Гайка (самоконтр.) М8 | 36 р. | ||
| 1.13 | N000-020-872 | Шайба D8 | 92 р. | ||
| 1.14 | N000-010-327 | Болт M8х60 | – | ||
| 1.15 | UM03-000-033 | Болт M8х80 | – | ||
| 1.16 | N000-028-982 | Пластина переключателя | – | ||
| 1.17 | N000-020-867 | Шайба D5 | 92 р. | ||
| 1.18 | N000-026-844 | Шайба пружинная D5 | – | ||
| 1.19 | N000-014-058 | Болт M5х16 | – | ||
| 1.20 | V000-003-408 | Выключатель роторный HZ5D-20/4 L03 220В 20А | 3.759 р. | ||
| 1.22 | N000-028-983 | Ручка резиновая | 369 р. | ||
| 1.23 | N000-028-985 | Ручка | – | ||
| 1.24 | N000-028-984 | Воротник шнура | – | ||
| 1.25 | N000-025-043 | Шайба пружинная D8мм | – | ||
| 1.26 | N000-028-986 | Основание ручки | – | ||
| 1.27 | V000-006-379 | Кабель питания | – | ||
| 1.28 | V000-006-663 | Провод заземления | – | ||
| 2.01 | N000-029-063 | Корпус | – | ||
| 2.02 | N000-029-064 | Эксцентрик | 588 р. | ||
| 2.03 | N000-029-065 | Кольцо | 37 р. | ||
| 2.04 | N000-029-066 | Эксцентрик | 588 р. | ||
| 2.05 | N000-029-067 | Крышка двигателя | – | ||
| 2.06 | N000-029-068 | Подшипник шариковый 6305-2RS (62x25x17) n/n | 911 р. | ||
| 2.07 | N000-029-069 | Ротор | 3.217 р. | ||
| 2.08 | N000-029-070 | Корпус двигателя | – | ||
| 2.09 | V000-006-545 | Колодка клеммная | – | ||
| 2.10 | N000-022-361 | Винт M6 | – | ||
| 2.11 | N000-029-071 | Крышка клемной коробки | – | ||
| 2.12 | N000-029-072 | Ввод кабельный | – | ||
| 2.13 | N000-029-073 | Статор | – | ||
| 2.14 | N000-022-371 | Гайка M10 | 92 р. | ||
| 2.15 | N000-029-074 | Шпилька M10 | – | ||
| 2.16 | U001-720-085 | Конденсатор 25мкФ 450В | 1.022 р. | ||
| 2.17 | N000-029-075 | Статор в сборе с корпусом | 12.576 р. | ||
| 2.17.C | N000-029-075-C | Статор в сборе (корпус,кабель,конденсатор,компаунд,крышка) | 11.468 р. |
| Найдено товаров: 45 |
|
8 (925) 663-83-63 Call-центр
пн-вс: 10:00-19:00
| Введите номер заказа |
| Введите номер своего заказа, что бы узнать его текущий статус. Что бы получить доступ к расширенным функциям, пройдите не сложную регистрацию. Зарегистрироваться |