Магазин запчастей для бытовой техники - Arlos
Москва
close
Выберите ваш регион
АбаканАлександровАльметьевскАнгарскАрзамасАрмавирАртемАрхангельскАстраханьАчинскБалаковоБалашихаБеларусьБелгородБердскБерезникиБийскБлаговещенскБратскБрянскВеликий НовгородВидноеВладивостокВладикавказВладимирВолгоградВолгодонскВолжскийВологдаВолховВоркутаВоронежВоскресенскВыборгГатчинаГеленджикГрозныйДедовскДербентДзержинскДзержинскийДимитровградДмитровДолгопрудныйДомодедовоДонецкЕвпаторияЕгорьевскЕкатеринбургЕлецЕссентукиЖелезногорскЖелезнодорожныйЖуковскийЗеленоградЗлатоустИвановоИвантеевкаИжевскИркутскИстраЙошкар-ОлаКазаньКалининградКалугаКаменск-УральскийКамышинКаспийскКемеровоКерчьКировКисловодскКлинКовровКоломнаКомсомольск-на-АмуреКопейскКоролёвКостромаКотельникиКрасногорскКраснодарКраснознаменскКрасноярскКурганКурскКызылЛенинск-КузнецкийЛипецкЛобняЛыткариноЛюберцыМагнитогорскМайкопМалаховкаМахачкалаМиассМоскваМурманскМуромМытищиНабережные ЧелныНазраньНальчикНаро-ФоминскНахабиноНаходкаНевинномысскНефтекамскНефтеюганскНижневартовскНижнекамскНижний НовгородНижний ТагилНовокузнецкНовокуйбышевскНовомосковскНовороссийскНовосибирскНовоуральскНовочебоксарскНовочеркасскНовошахтинскНовый УренгойНогинскНорильскНоябрьскОбнинскОдинцовоОктябрьскийОмскОрелОренбургОрехово-ЗуевоОрскПавловский ПосадПензаПервоуральскПермьПетрозаводскПетропавловск-КамчатскийПодольскПрокопьевскПсковПушкиноПятигорскРаменскоеРеутовРостов-на-ДонуРубцовскРыбинскРязаньСакиСалаватСамараСанкт-ПетербургСаранскСаратовСевастопольСеверодвинскСеверскСергиев ПосадСерпуховСимферопольСмоленскСосновый БорСочиСтавропольСтарый ОсколСтерлитамакСтупиноСургутСызраньСыктывкарТаганрогТамбовТверьТихвинТольяттиТомилиноТомскТроицкТулаТюменьУлан-УдэУльяновскУссурийскУсть-ИлимскУфаУхтаФеодосияФрязиноХабаровскХанты-МансийскХасавюртХимкиЧебоксарыЧелябинскЧереповецЧеркесскЧеховЧитаШахтыЩелковоЭлектростальЭлистаЭнгельсЮжно-СахалинскЯкутскЯлтаЯрославль
  • - бесплатно по РФ
    Автоперезвон. Работает по принципу: Вы позвонили на номер, мы сбрасываем звонок и перезваниваем через 3 секунды.
  • - по Москве
  • 8 (925) 663-83-63

Call-центр

пн-вс: 10:00-19:00

Виброплита бензиновая ЗВПБ-20 Г

Данная модель имеет несколько схем

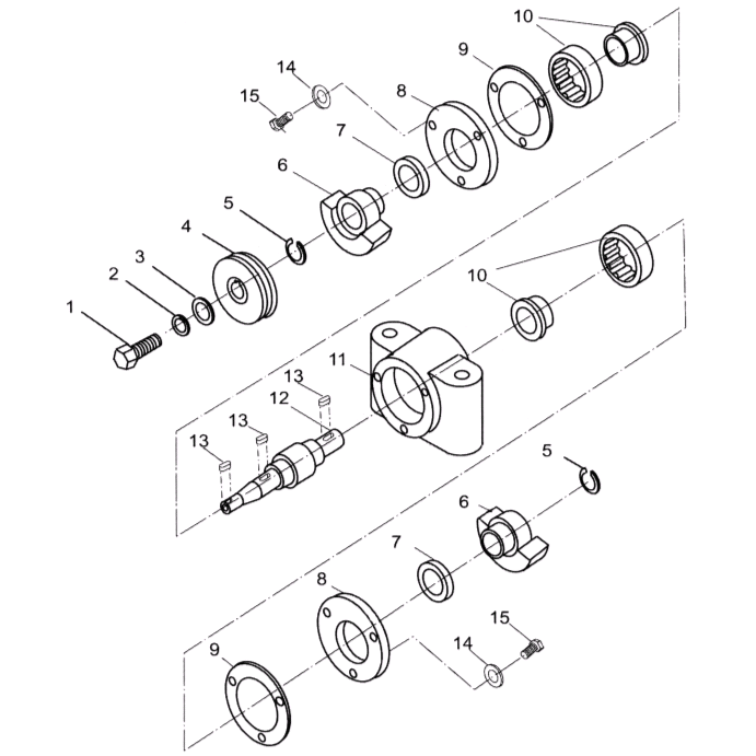
NАртикулНазваниеСрок отгрузкиЦенаКупить
б/н N000-017-198 Фильтр воздушный 112x74xh68 657 р.
2 N000-009-452 Шайба гровера D8
2 N000-009-411 Шайба гровера D8
3 N000-009-453 Шайба D8
3 N000-009-412 Шайба D10
4 N000-009-454 Шкив ведомый
4 N000-009-413 Сцепление в сборе(ведущий шкив) 6.784 р.
5 N000-009-455 Кольцо прижимное D24
5 N000-009-414 Ремень клиновой зубчатый 13x686Li 1.038 р.
6 N000-009-456 Эксцентрик 3.287 р.
7 N000-009-416 Шайба гровера D8
7 N000-009-457 Сальник D52хd35х7 1.159 р.
8 N000-009-417 Шайба D8
8 N000-009-458 Крышка шкива
9 N000-009-418 Кожух ремня защитный 1.964 р.
9 N000-009-459 Шайба бумажная
10 N000-009-460 Подшипник эксцентрика 5.423 р.
10 N000-009-419 Двигатель 38.791 р.
11 N000-009-420 Контргайка M8 31 р.
11 N000-009-461 Крепление подшипника
12 N000-009-462 Вал первичный
12 N000-017-197 Карбюратор 3.875 р.
13 N000-009-463 Шпонка
14 N000-009-421 Рама защитная
14 N000-009-464 Шайба гровера D6
15 N000-009-422 Основание
16 N000-009-423 Шайба D8
18 N000-009-425 Контргайка M8
19 N000-009-426 Шайба пружинная D10
20 N000-009-427 Шайба D10
21 N000-009-428 Виброзащита 1.062 р.
22 N000-009-429 Шайба D10
22-1 N000-009-430 Шайба гровера D10
25 N000-009-433 Шайба пружинная D12 23 р.
26 N000-009-434 Шайба D12 23 р.
27 N000-009-435 Упор вибратора 11.729 р.
29 N000-009-438 Шайба гровера D10
30 N000-009-439 Шайба D10
30 N000-027-827 Клапан
31 N000-009-440 Пластина регулировки рукоятки
32 N000-009-441 Амортизатор 1.092 р.
33 N000-027-828 Колпачок маслосъемный
33 N000-009-442 Крепежное кольцо D12
34 N000-009-443 Блок резиновый 439 р.
35 N000-009-444 Втулка резиновая D33.5хD27.5хd20хh29 422 р.
36 N000-027-695 Подлокотник складной в сборе 5.918 р.
37 N000-009-436 Вибратор в сборе 16.502 р.
38 N000-009-446 Шайба обычная D18
39 N000-009-447 Шайба гровера D18
41 N000-009-449 Основание
42 N000-027-829 Шатун в сборе
42 N000-027-702 Тросик газа L900xd5мм 513 р.
43 N000-027-703 Рычаг газа 1.061 р.
44 N000-027-830 Кольца поршневые 1.403 р.
45 N000-027-831 Поршень 1.487 р.
60 N000-017-199 Стартер в сборе 4.717 р.
68 N000-027-832 Коленвал
78 N000-035-009 Бензобак 2.905 р.
88 N000-017-200-2 Магнето H=68 h=58 d=28.5 L=170 2.606 р.
88 N000-017-200 Магнето H=68 h=58 d=28.5 L=180 1.935 р.
Найдено товаров: 60
1
▲ Наверх
0
8 (925) 663-83-63

Call-центр

пн-вс: 10:00-19:00

НАЙТИ ПО МОДЕЛИ
Введите номер заказа
Введите номер своего заказа, что бы узнать его текущий статус.
Что бы получить доступ к расширенным функциям, пройдите не сложную регистрацию. Зарегистрироваться