8 (925) 663-83-63Call-центр
пн-вс: 10:00-19:00
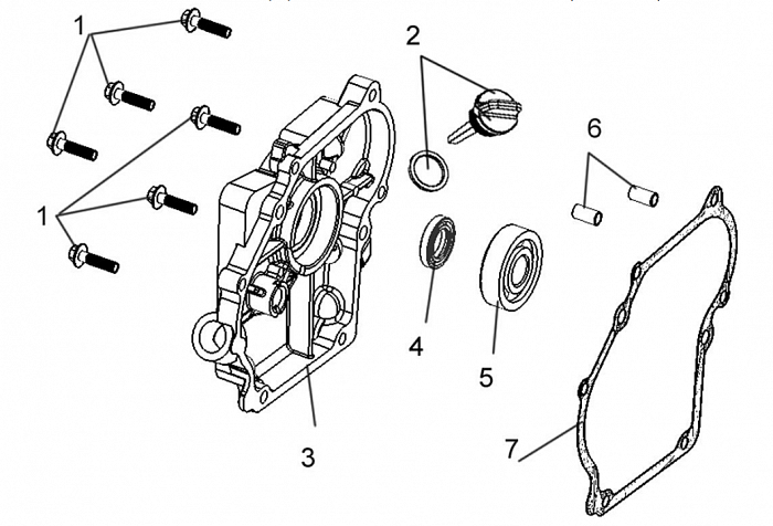
| N | Артикул | Название | Срок отгрузки | Цена | Купить |
| 1 | 380140102-0004 | Болт с фланцемМ6х25 | 5-7 рабочих дней | – | |
| 2 | 110690049-0001 | Щуп уровня масла | 5-7 рабочих дней | – | |
| 3 | 110820067-0001 | Крышка картера | 5-7 рабочих дней | 1.142 р. | |
| 4 | 380650333-0001 | Сальник 17х30х6 | 5-7 рабочих дней | – | |
| 5 | 380630141-0002 | Подшипник 6303 | 5-7 рабочих дней | 551 р. | |
| 6 | 380600128-0001 | Штифт направляющий 8х16 | 5-7 рабочих дней | – | |
| 7 | 3,055E+12 | Прокладка крышки картера | 5-7 рабочих дней | 1.331 р. |
| Найдено товаров: 7 |
|
8 (925) 663-83-63 Call-центр
пн-вс: 10:00-19:00
| Введите номер заказа |
| Введите номер своего заказа, что бы узнать его текущий статус. Что бы получить доступ к расширенным функциям, пройдите не сложную регистрацию. Зарегистрироваться |